









- В наличии:в России 01.12.2025
- Внимание! Возможна поставка замены
- Доставка и Оплата:Узнать подробнее
На складе в Италии
- Быстрая доставка
- 100% гарантия получения и возврата
- Оригинальные запчасти и аксессуары
- Московская область, г. Москва
Град Московский, ул. Радужная, д. 19, к.2
- 8 (800) 551-59-63 Звонки бесплатно по России
- +7 (495) 128-27-63 Стационарный по Москве
- sale@fix-hub.ru
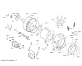
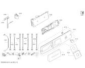
Некоторые совместимые модели:
Bosch
WAS20461EE Logixx 8 VarioPerfect EcoSilence Drive, WAS20442OE LOGIXX8 VARIO PERFECT;aquastop,ecosilentdirve;8kg, WAS20762TR Bosch Logixx8 VarioPerfect;otomatik leke c#kartma;EcoSilence, WAS20422IT Logixx8 VarioPerfect;8kg 1000giri EcoSilen;AquaVigil, WAS24443IL Logixx8 VarioPerfect;beans Series;ecoSilen;8kg 1200rpm, WAS24442OE LOGIXX8 VARIO PERFECT;aquastop ecoSilentDrive;8kg, WAS20460TR Bosch Logixx8 VarioPerfect, ecoSilentDrive, WAS24422IT Logixx8 VarioPerfect;8kg 1200giri EcoSilen;AquaVigil ...
Gaggenau
WM260160 Gaggenau ...
Siemens
WM10S722IT aquaStop 1000giri iQdrive ecoGenius 8kg S10-72 sistema antim, WM10S460TR S10.46 varioPerfect; iQdrive, WM10S762TR S10.76 varioPerfect;8kg,iQdrive;otomatik leke c#kartma, WM10S422IT S10.42 ecoGenius aquastop;8kg 1000giri; iQdrive, WM12S443IL S12.44 varioPerfect; 8kg powerWash; bQdrive, WM12S42XEE iQdrive varioPerfect; aquaSecure 8kg, WM10S46AOE S10.46 VarioPerfect;Made in Germany,iQdrive;advantiq 8kg, WM12S425EE iQdrive vario Perfect; aquaSecure 8kg ...